Products
Products


產品詳細
GF4-72 圓口 C 式
GF4-72型係列玻璃鋼離心通風機的出風口為圓形,又稱為圓口風機(jī)。
該係列風機傳動常用有A、C、D式(shì),GF4-72 C式又稱圓口C式機(jī),就是葉輪直接由電機(jī)帶動。
|
機(jī)型圖樣 Machine Pattern |
機號 Size |
功率 (kw) |
轉速 (r/min) |
流量 (m³/h) |
全壓 (Pa) |
|
3C | 1.1 | 1450 | 835~1669 | 284~181 |
| 2.2 | 2900 | 1669~3338 | 1138~723 | ||
| 4C | 1.5 | 1450 | 2460~4055 | 506~321 | |
| 5.5 | 2900 | 4020~7913 | 1999~1313 | ||
| 5C | 2.2 | 1450 | 4321~7312 | 790~502 | |
| 7.5 | 2100 | 5863~11125 | 1657~1053 | ||
| 15 | 2900 | 8000~14400 | 2400~1580 | ||
| 6C | 4 | 1450 | 7000~13500 | 1000~450 | |
| 5.5 | 1600 | 7500~14500 | 1300~650 | ||
| 7.5 | 1800 | 8200~15800 | 1700~1000 | ||
| 11 | 2000 | 9000~18000 | 2100~1300 | ||
| 7C | 5.5 | 1120 | 8190~16380 | 924~587 | |
| 7.5 | 1250 | 9140~18281 | 1151~731 | ||
| 11 | 1450 | 10603~21206 | 1548~984 | ||
| 15 | 1600 | 11700~23399 | 1885~1198 | ||
| 8C | 7.5 | 1120 | 12225~24450 | 1207~767 | |
| 11 | 1250 | 13644~27288 | 1503~965 | ||
| 15 | 1400 | 15281~30562 | 1885~1198 | ||
| 18.5 | 1450 | 15827~31645 | 2022~1285 | ||
| 22 | 1600 | 17464~34928 | 2462~1565 | ||
| 10C | 11 | 800 | 22312~31230 | 1050~800 | |
| 15 | 900 | 26000~35134 | 1200~1000 | ||
| 18.5 | 1450 | 27890~39038 | 1523~1204 | ||
| 30 | 1120 | 31237~43722 | 1910~1511 | ||
| 12C | 30 | 800 | 40213~53966 | 1395~1104 | |
| 37 | 900 | 43375~60712 | 1767~1399 | ||
| 45 | 1000 | 45795~63397 | 1859~1729 |
|
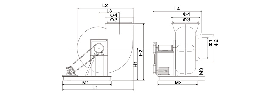
機號 Size |
進風口 (mm) |
出風口 (mm) |
外形尺寸 (mm) |
底座架 (mm) |
|||||||||||
| NO. | φ1 | φ2 | A1 | A2 | B1 | B2 | H1 | H2 | L1 | L2 | L3 | L4 | M1 | M2 | M3 |
| 3.6C | 330 | 410 | 270 | 370 | 300 | 400 | 380 | 800 | 1080 | 670 | 230 | 760 | 940 | 640 | 60 |
| 4C | 360 | 450 | 285 | 395 | 335 | 430 | 425 | 970 | 1370 | 740 | 240 | 800 | 1000 | 700 | 60 |
| 4.5C | 430 | 540 | 310 | 420 | 365 | 460 | 520 | 1030 | 1460 | 840 | 300 | 870 | 1180 | 760 | 60 |
| 5C | 450 | 570 | 360 | 480 | 420 | 510 | 580 | 1090 | 1550 | 940 | 360 | 920 | 1230 | 800 | 60 |
| 6C | 485 | 600 | 400 | 535 | 470 | 600 | 640 | 1150 | 1640 | 1170 | 400 | 1000 | 1280 | 840 | 60 |
| 7C | 595 | 700 | 470 | 615 | 585 | 680 | 800 | 1280 | 1730 | 1400 | 485 | 1120 | 1330 | 860 | 60 |
| 8C | 685 | 800 | 550 | 690 | 640 | 770 | 860 | 1430 | 2050 | 1615 | 570 | 1200 | 1585 | 1000 | 75 |
| 10C | 845 | 1000 | 700 | 840 | 800 | 935 | 1100 | 1850 | 2600 | 2200 | 680 | 1330 | 2000 | 1240 | 100 |
| 12C | 1100 | 1240 | 840 | 1040 | 940 | 1140 | 1350 | 2300 | 3500 | 2350 | 750 | 1810 | 2300 | 1450 | 100 |
| 14C | 1260 | 1430 | 980 | 1180 | 1080 | 1280 | 1680 | 2780 | 4310 | 2760 | 850 | 2110 | 2600 | 1700 | 120 |
| 16C | 1410 | 1630 | 1180 | 1380 | 1220 | 1420 | 2010 | 3250 | 5120 | 3010 | 950 | 2410 | 2900 | 2000 | 120 |
可(kě)選變頻 / 防爆 / 普通(tōng)
*電機壽命長達8萬小時
316品牌軸承,耐損(sǔn)、精度高;
增長距長,運行更穩定;
油室大,潤(rùn)滑(huá)持久;
自散熱效果好,能持(chí)久運行。

